Вход
since 1993
02.02.2026
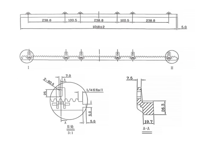
Новинка от CAME расширяет возможности при выборе прочности и дизайна ворот. CPLD – это эксклюзивная на рынке автоматики для откатных ворот бесшумная полимерная зубчатая рейка, предназначенная для откатных ворот с максимальным весом створки до 1000 кг.

Мощная монолитная конструкция, нейлон и стекловолокно со стальным основанием, а также надежное усиленное крепление к воротам стали важными преимущественными характеристиками рейки CPLD, подходящей моделям приводов BX, BXL и BXV (модуль зуба 4).

По вопросу приобретения обращайтесь к менеджерами Компании АЛПРО по телефону (812) 702-17-52 или по электронной почте sales@alpro.ru